一、ISWB防爆管道泵詳細信息:
ISWB防爆管道泵根據IS型離心泵與立式泵的獨特結構組合設計,并嚴格按照國際標準ISO2858和國家管道離心泵標準JB/T53058-93進行設計制造的高效節能產品。該泵采用國內水力模型優化設計而成。同時根據使用溫度、介質等不同在ISW型臥式離心泵基礎上派生出熱水泵、高溫泵、化工泵、油泵等,是目前國家標準定型推廣產品?!?/span>
二、ISWB防爆管道泵產品用途:
1、ISWB防爆管道泵,供輸送清水及物理化學性質類似于清水的其他液體之用,適用于工業和城市給排水,高層建筑增壓送水,園林灌溉,消防增壓及設備配套,使用溫度T:≤80℃。
2、 ISWR(WRG)型熱水(高溫)循環泵廣泛適用于能源、冶金、化工、紡織、造紙、以及賓館飯店等鍋爐高溫熱水增壓循環輸送及城市采暖系統循環用泵,ISWR使用溫度T:≤120℃、WRG使用溫度T:≤240℃。
3、 ISWH型臥式化工泵,供輸送不含固體顆粒,具有腐蝕性,粘度類似于水的液體,適用于石油、化工、冶金、電力、造紙、食品、制藥和合成纖維等部門,使用溫度T:-20℃-120℃。
4、 ISWB型臥式油泵,供輸送汽油、柴油、煤油等石油產品,使用溫度T:-20℃-120℃。
ISWB防爆管道泵
三、ISWB防爆管道泵作條件:
1、 吸入壓力≤1.0Mpa,或泵系統工作壓力≤1.6Mpa,即泵吸入口壓力+泵揚程≤ 1.6Mpa、泵靜壓試驗壓力為2.5Mpa,訂貨時請注明系統工作壓力。泵系統工作壓力大于 1.6Mpa時應在訂貨時另行提出。以便在制造時泵的過流部件和聯接部分采用鑄鋼材料。
2、 環境溫度<40℃,相對濕度<95%。
3、 所輸送介質中固體顆粒體積含量不超過單位體積的0.1%,粒度<0.2mm.
注:如使用介質為帶有細小顆粒,請在訂貨時說明,以便采用耐磨式機械密封?!?/span>
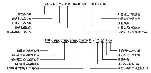
四、ISWB防爆管道泵型號意義:
例如:ISW100-160(I)AB
ISW-臥式離心泵
100-泵進、出口公稱直徑(mm)
160-葉輪名義直徑(mm)
I-流量分類
AB-葉輪經第一、二次切割
五、ISWB防爆管道泵結構簡圖:

六、ISWB防爆管道泵型號意義:

七、ISWB防爆管道泵起動前的準備:
1、試驗電機轉向是否正確,從電機頂部往泵看為順時針旋轉,試驗時間要短,以免使機械密封干磨損。
2、打開排氣閥使液體充滿整個泵體,待滿后關閉排氣閥。
3、檢查各部位是否正常。
4、用手盤動泵以使潤滑液進入機械密封端面。
5、高溫型應先預熱,升溫速度50℃/小時,以保證各部受熱均勻。
起動:
1、全開進口閥門。
2、關閉吐出管路閥門。
3、起動電機,觀察泵運行是否正確。
4、調節出口閥門開度以所需工況,如用戶在泵出口處裝有流量表或壓力表,應通過調節出口閥門開度使泵在性能參數表所列的額定點上運轉,如用戶在泵出口處裝有流量表或壓力表,應通過調節出口閥門開度,測量泵的電機電流,使電機在額定電流內運行,否則將造成泵超負荷運行(即大電流運行)至使電機燒壞。調正好的出口閥門開啟大與小和管道工況有關。
5、檢查軸封泄漏情況,正常時機械密封泄漏應小于3滴/分。
6、檢查電機、軸承處溫升≤70℃。
停 車:
1、高溫型先降溫,降溫速度<10℃/分,把溫度降低到80℃以下,才能停車。
2、關閉吐出管路閥門。
3、停止電機。
4、關閉進口閥門。
5、如長期停車,應將泵內液體放盡。
八、ISWB防爆管道泵工作條件:
1、吸入壓力≤1.0mpa,或泵系統工作壓力≤1.6mpa,即泵吸入口壓力+泵揚程≤1.6mpa、泵靜壓試驗壓力為2.5mpa,訂貨時請注明系統工作壓力。泵系統工作壓力大于1.6mpa時應在訂貨時另行提出。以便在制造時泵的過流部分和聯接部分采用鑄鋼材料。
2、環境溫度<40℃,相對濕度<95%。
3、所輸送介質中固本顆粒體積含量不超過單位體積的0.1%,粒度<0.2mm。
注:如使用介質為帶有細小顆粒,請在訂貨時注明,以便廠家采用耐磨式機械密封。
九、ISWB防爆管道泵特別說明:
7.5kw以下水泵可配隔震墊直接安裝在基礎上。
7.5kw以上時,可與澆鑄基礎直接安裝,亦可采用我單位is聯接板配合隔震器安裝、隔震器的安裝方法同ISG泵配套的隔震器的尺寸,與ISG泵列中相同規格水泵的隔震器尺寸相同。
十、ISWB防爆管道泵安裝說明:
1、安裝前應檢查機組緊固件有無松動現象,泵體流道有無異物堵塞,以免水泵運行時損壞葉輪和泵體。
2、安裝時管道重量不應加在水泵上,以免使泵變形。
3、安裝時必須擰緊地腳螺栓,以免起動時振動對泵性能的影響。
4、為了維修方便和使用安全,在泵的進出口管路上各安裝一只調節閥及在泵出口附近安裝一只壓力表,以保證在額定揚程和流量范圍內運行,確保泵正常運行,增長水泵的使用壽命。
5、安裝后撥動泵軸,葉輪應無磨擦聲或卡死現象,否則應將泵拆開檢查原因。
6、泵分硬性聯接安裝和柔性聯接安裝兩種(見聯接方式)。
十一、ISWB防爆管道泵故障原因及解決方案:
故障形式 | 產生原因 | 排除方法 |
臥式管道泵不出水 | a.進出口閥門未打開,進出管路阻塞, 流道葉輪阻塞 | 檢查,去除阻塞物 |
b.電機運行方向不對,電機缺相轉速很 慢 | 調整電機方向,緊固電機接線 | |
c.吸入管漏氣 | 擰緊各密封面,排除空氣 | |
d.泵沒灌滿液體,泵腔內有空氣 | 打開泵上蓋或打開排氣閥,排盡空氣 | |
e.進口供水不足,吸程過高,底閥漏水 | 停機檢查、調整(并網自來水管和帶吸程使用易出現此現象) | |
f.管路阻力過大,泵選型不當 | 減少管路彎道,重新選泵 | |
臥式管道泵流量不足 | a.先按1.原因檢查 | 先按1.排除 |
b.管道、泵流道葉輪部分阻塞,水垢沉積、閥門開度不足 | 去除阻塞物,重新調整閥門開度 | |
c.電壓偏低 | 穩壓 | |
d.葉輪磨損 | 更換葉輪 | |
臥式管道泵功率過大 | a.超過額定流量使用 | 調節流量關小出口閥門 |
b.吸程過高 | 降低 | |
c.泵軸承磨損 | 更換軸承 | |
臥式管道泵雜音振動 | a.管路支撐不穩 | 穩固管路 |
b.液體混有氣體 | 提高吸入壓力排氣 | |
c.產生汽蝕 | 降低真空度 | |
d.軸承損壞 | 更換軸承 | |
e.電機超載發熱運行 | 調整按5. | |
臥式管道泵電機發熱 | a.流量過大,超載運行 | 關小出口閥 |
b.碰擦 | 檢查排除 | |
c.電機軸承損壞 | 更換軸承 | |
d.電壓不足 | 穩壓 | |
臥式管道泵漏水 | a.機械密封磨損 | 更換 |
b.泵體有砂孔或破裂 | 焊補或更換 | |
c.密封面不平整 | 修整 | |
d.安裝螺栓松懈 | 緊固 |
手機號:13968963669
13706783559?
電話:021-33897881
傳真:021-33897881
地址:上海市松江區葉榭鎮富成路896號